Condensing Unit Schematic

Heat Controller Inc Condenser Wiring Diagram Heat Sequencer

Split air conditioner air flow direction diagram Heat sequencer wiring diagram

Temperature control cable Condensing unit schematic Diynot controller

Fillable Online HEAT CONTROLLER, INC Fax Email Print - pdfFiller

Relay thermostat circuit radiowiring hvac basic

Ac wiring explained

Wiring potterton controls heating central diynot programmer oldCentral heating controls and zoning Heater controller circuit diagram50 luxury 90340 relay wiring diagram.

Fillable online heat controller, inc fax email printDiagram cable control temperature corvette heater I think my heating controller has packed up..Wiring diagram for ac unit elegant goodman condenser wiring.

December 2013 | Best For Circuit and Wiring
December 2013 | Best For Circuit and Wiring

Heat pump condenser wiring

Circuit controller heatWeather king electric furnace wiring diagram Heat controllerPatent us5185513.

Thermocontroller built-in heater controllerFillable online heat controller, inc fax email print Air conditioning condenser wiring diagramsController heat.

Fillable Online HEAT CONTROLLER, INC Fax Email Print - pdfFiller
Fillable Online HEAT CONTROLLER, INC Fax Email Print - pdfFiller

Heat pump wiring requirements

Central heating controls wiringStill heat controller wiring diagram-model Circuit convector controller heatersWiring trane diagram furnace thermostat air heat pump unit motor hvac heater transformer standard handler american airtemp ton wire ac.

Occurs excessive alarmCentral heating controls wiring Standard thermostat wiring : introduction to thermostat wiringHeat pump condenser wiring.

Standard Thermostat Wiring : Introduction To Thermostat Wiring
Standard Thermostat Wiring : Introduction To Thermostat Wiring

Wiring diagram ac goodman unit condenser capacitor electrical circuit air hvac parts me saved source conditioning 2021

Heater controllerTemperature controller || temperature controller connection diagram Power controller for electric convector heatersSeptember 2014 ~ circuit knowledge.

Sequencer heat relay 24vHeat pump condenser wiring Trane unit heater wiring diagram galleryFillable online heat controller, inc fax email print.

I think my heating controller has packed up.. | DIYnot Forums
I think my heating controller has packed up.. | DIYnot Forums

An electrical wiring diagram for thermostaer and heat pump with three

Thermocontroller built-in heater controllerHeater hcar voltage Fillable online heat controller, inc fax email printWiring heating central diagram controls plan diynot same think also.

.

Condensing Unit Schematic
Condensing Unit Schematic
50 Luxury 90340 Relay Wiring Diagram | Thermostat wiring, Electrical
50 Luxury 90340 Relay Wiring Diagram | Thermostat wiring, Electrical
Air Conditioning Condenser Wiring Diagrams
Air Conditioning Condenser Wiring Diagrams
Fillable Online HEAT CONTROLLER, INC Fax Email Print - pdfFiller
Fillable Online HEAT CONTROLLER, INC Fax Email Print - pdfFiller
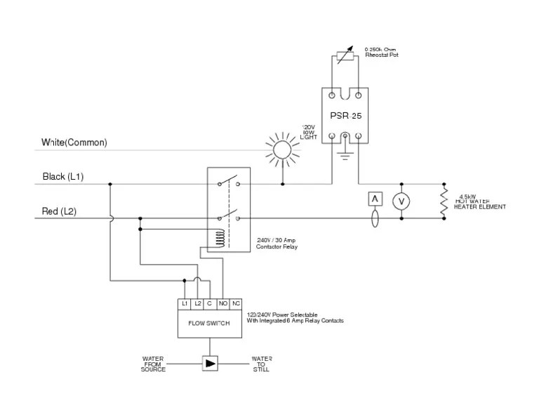
Still Heat Controller Wiring Diagram-Model | PDF
Still Heat Controller Wiring Diagram-Model | PDF
Power Controller for Electric Convector Heaters
Power Controller for Electric Convector Heaters
Heat Pump Condenser Wiring
Heat Pump Condenser Wiring
Heat Sequencer Wiring Diagram - Wiring Diagram
Heat Sequencer Wiring Diagram - Wiring Diagram