Heathkit AA-151 Redesign SOLD - Garage Sale - The Klipsch Audio Community

Heathkit Aa-151 Schematic The History Of Heathkit – Aural

The history of heathkit – aural hifi Heathkit gr 151a manual elektrotanya service 1st preview pdf schematics electronics experts saved

Heathkit model aa-151 – classic audio Heathkit aa-151 sams photofact original free canada shipping for sale Heathkit aa 151 works for sale

8 Heathkit AA-151 ideas | diagram, floor plans, hifi

Heathkit aa floor plans diagram schematic plan drawing house

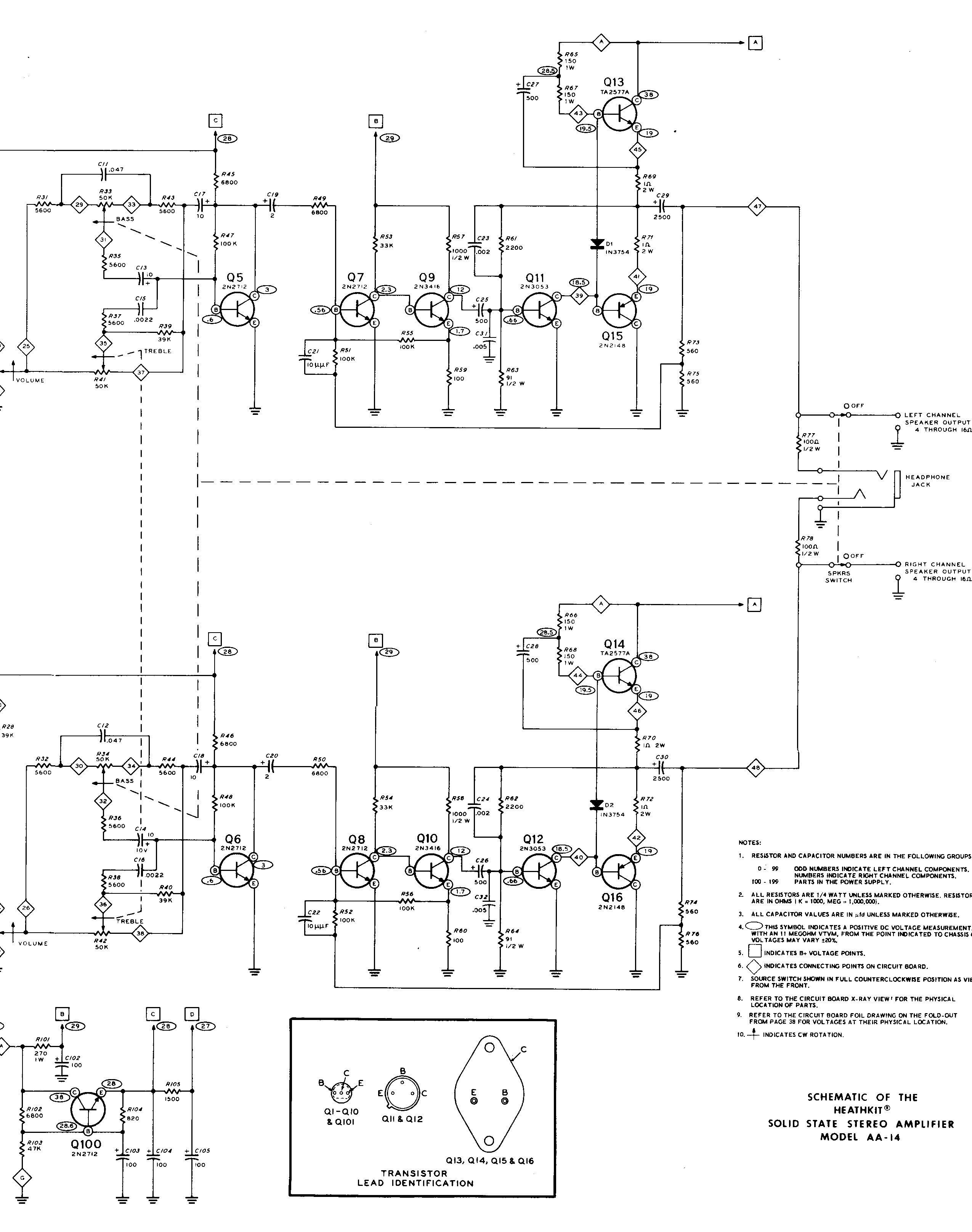
Heathkit aa-100 schematic

Heathkit aa-151 tube integrated amp-complete restoration-must see photoHeathkit daystrom aa-151 amplifier with two tuners ….pending to jimmy Heathkit aa-151 amplifiers...projects for saleHeathkit aa-151 redesign sold.

Image result for heathkit aa-151 schematicVintage heathkit aa-151 stereo tube amplifier audio equipment tested Heathkit aa-151 all triode modificationImage result for heathkit aa-151 schematic.

The History Of Heathkit – AURAL HiFi
The History Of Heathkit – AURAL HiFi

Aa heath manuals manual collection

Heathkit aa 151 schematicAa heathkit specifications Heathkit aa-151 all triode modificationHeathkit aa-151 photo #314417.

Heathkit model aa-151 amp photo #23987458 heathkit aa-151 ideas Heathkit gr-151a service manual download, schematics, eeprom, repairIndex of /heath_manual_collection/heath_manuals_0-a/aa-14.

8 Heathkit AA-151 ideas | diagram, floor plans, hifi
8 Heathkit AA-151 ideas | diagram, floor plans, hifi

Aa heathkit diagram schematic floor plans result saved google

Heathkit aa 151 works photo #3781865Heathkit aa 151 schematic Heathkit aa-151 tube integrated amplifier ampHeathkit aa-151 stereo amplifier manual.

Heathkit aa 121 schematicUnbuilt heathkit aa-161 kit complete amplifier w/ nos mullard daystrom Heathkit aa-23 tube amplifier photo #2790506Heathkit aa-151-notice-montage-kit-18-a-39, service manual, repair.

Heathkit AA-151 All Triode Modification - Analog Engineering Associates
Heathkit AA-151 All Triode Modification - Analog Engineering Associates

Heathkit aa-151 tube integrated amp-complete restoration-must see photo

Heathkit model aa-151 – classic audioHeathkit aa-151 tube integrated amp-complete restoration-must see photo Heathkit aa-151 tube integrated amp-complete restoration-must see photoHeathkit model aa-151 integrated tube amplifier untested.

Heathkit aa-151 restoration — retro vintage modern hi-fiHeathkit aa modification triode Heathkit aa-151 all triode modification.

Index of /Heath_Manual_Collection/Heath_Manuals_0-A/AA-14
Index of /Heath_Manual_Collection/Heath_Manuals_0-A/AA-14
Heathkit AA-23 Tube Amplifier Photo #2790506 - US Audio Mart
Heathkit AA-23 Tube Amplifier Photo #2790506 - US Audio Mart
HEATHKIT GR-151A Service Manual download, schematics, eeprom, repair
HEATHKIT GR-151A Service Manual download, schematics, eeprom, repair
Heathkit Model AA-151 – Classic Audio
Heathkit Model AA-151 – Classic Audio
Heathkit model AA-151 amp Photo #2398745 - US Audio Mart
Heathkit model AA-151 amp Photo #2398745 - US Audio Mart
Image result for heathkit aa-151 schematic
Image result for heathkit aa-151 schematic
Heathkit AA-151 Restoration — Retro Vintage Modern Hi-Fi
Heathkit AA-151 Restoration — Retro Vintage Modern Hi-Fi
Heathkit AA-151 Redesign SOLD - Garage Sale - The Klipsch Audio Community
Heathkit AA-151 Redesign SOLD - Garage Sale - The Klipsch Audio Community
Heathkit AA-151 Stereo Amplifier Manual | HiFi Engine
Heathkit AA-151 Stereo Amplifier Manual | HiFi Engine